欧美A片

Dynamic Parameter Estimation & Tuning

Dynamic Parameter Estimation & Tuning

Dynamic Parameter Estimation & Tuning

DPET adds an intelligent automated layer of time saving capabilities. Combined with User-Defined Dynamic Models (UDM), DPET automatically adjusts appropriate parameters so simulation responses match actual field measurements accurately in a matter of minutes, rather than weeks.
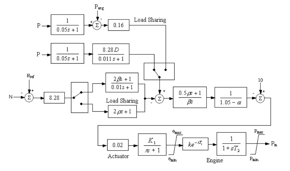
An example control system diagram with control functions
DPET is especially useful for Power Plant Model Validation, as mandated by North American Reliability Council (NERC) MOD-026 and MOD-027 Standards.

MOD-026 will require power plant owners to verify that dynamic models of excitation controls are accurate and up-to-date; MOD-027 places the same requirements on dynamic models of governors and turbine controls.

 

Dynamic Parameter Estimation & Tuning Key Features

  • Generate comparisons of multiple estimation results
  • Utilize field data from disturbance recorders and PMUs
  • Tune dynamic models with multiple inputs and outputs
  • Utilize ETAP User-Defined Dynamic Model to build custom models
  • Combinations of Models: Generators, Governors, Exciters, & PSS
  • Automatically exclude questionable data and noise
  • Multi-objective stochastic optimization method
  • Estimate model parameters using field measurements
  • Compliance with NERC MOD Standards
  • Determine the best model parameters to fit measured data
  • View parameter sensitivity, measured vs. calculated values
  • Multiple sets of input/output data-files for tuning comparison


Knowledge of a rotating machine and its associated control system dynamic parameters is essential to power system transient stability simulation studies. These parameters include machine impedances and time constants, inertial and damping coefficients, prime mover and governor parameters, excitation system and AVR parameters, Power System Stabilizer (PSS) parameters, load characteristics, etc.

Accuracy in hundreds of these parameters directly affects credibility of the simulation results. In order to verify and validate (V&V) simulation studies, it is common to compare simulation results against field test measurements such as generator load acceptance and rejection test. However, expertise is required to understand the effect of each parameter, as the simulation model is manually tuned to provide similar response as the one observed in the field tests or recordings. The task of adjusting each variable via the trial-and-error approach is a tedious and time-consuming one.
Before and After plots after using DPET

DPET Result Analyzer

The DPET Result Analyzer is a time-saving software tool within DPET, used to compare estimated results from multiple sets of simulations involving model parameters. It enables users to select the optimal characteristics, and implement the most accurate results into their generator model. This helps users quickly achieve highly accurate results, integrating precise data and accelerating the design process.

Videos

Literature

White Papers

Training & Events

ETAP Training

Training & Events

Get an in-depth insight to our electrical engineering software by requesting a training course that suits you.

Discover Now

Explore ETAP Today

Explore ETAP Today

Take a test drive of ETAP free for 30 days to experience for yourself the capabilities
of ETAP solutions. Try out ETAP’s extensive collection of modules and analysis results
on this cloud-based demo platform - anytime and anywhere. Start your online demo today!