Å·ÃÀAƬ

Automated Fault Analysis Software


Automated Fault Analysis Software

Logiciel d'analyse automatis¨¦e des pannes ETAP (AFAS)

Logiciel d'analyse automatis¨¦e des pannes

Aper?u

ETAP AFAS r¨¦volutionne l'analyse des d¨¦fauts ¨¦lectriques gr?ce ¨¤ son approche puissante et bas¨¦e sur les mod¨¨les, exploitant la technologie Digital Twin d'ETAP. Con?u pour l'analyse en temps r¨¦el et post-¨¦v¨¦nement.

AFAS_CalculationResults

¹ó´Ç²Ô³¦³Ù¾±´Ç²Ô²Ô²¹±ô¾±³Ù¨¦²õ Cl¨¦s du logiciel AFAS

AFAS optimise l'efficacit¨¦ op¨¦rationnelle en proposant?:?

  • Analyse automatis¨¦e des fichiers COMTRADE
    • Regroupe sans effort les ¨¦v¨¦nements li¨¦s ¨¤ l'aide d'un alignement temporel pr¨¦cis. AFAS archive automatiquement les incidents au fur et ¨¤ mesure qu'il re?oit les fichiers COMTRADE, garantissant ainsi une gestion efficace des incidents.?
  • D¨¦tection et analyse avanc¨¦es des d¨¦fauts
    • Identifie les types de d¨¦fauts, leur emplacement et leur gravit¨¦ ¨¤ l'aide de plusieurs algorithmes simples et doubles. AFAS offre des informations sur les magnitudes de d¨¦faut, les imp¨¦dances et la s¨¦quence des op¨¦rations.?
  • Analyse et restauration int¨¦gr¨¦es des d¨¦fauts
    • Fonctionne en conjonction avec le module ETAP FLISR pour fournir des strat¨¦gies simultan¨¦es de d¨¦tection, d'analyse et de restauration des d¨¦fauts pour les syst¨¨mes comportant ¨¤ la fois des composants de transmission et de distribution.?
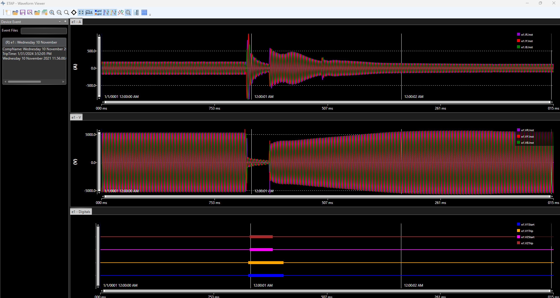
  • Visualiseur de formes d'onde avec graphiques haut de gamme
    • Visualise les donn¨¦es du syst¨¨me via une interface intuitive, prenant en charge l'analyse simultan¨¦e des fichiers COMTRADE. Les utilisateurs peuvent explorer les phasors, les valeurs RMS et harmoniques, ainsi que les d¨¦finitions de signaux personnalis¨¦es.?
  • Configuration personnalisable
    • Fournit aux utilisateurs des param¨¨tres d'analyse flexibles adapt¨¦s ¨¤ leurs besoins op¨¦rationnels uniques pour personnaliser les classifications d'¨¦tat et de perturbation, notamment le flux de charge, le d¨¦faut, la chaleur, la baisse de tension, la r¨¦acc¨¦l¨¦ration, etc.?
  • V¨¦rification du mod¨¨le et injection de signal
    • Utilise l'estimation de l'imp¨¦dance de ligne et l'injection de signal (donn¨¦es de lecture) pour v¨¦rifier la pr¨¦cision du mod¨¨le, garantissant ainsi que les sch¨¦mas de protection fonctionnent comme pr¨¦vu.?
  • Application eWeb pour la visualisation des r¨¦sultats
    • Les r¨¦sultats de l'AFAS sont accessibles via l'interface eWeb, une plateforme s¨¦curis¨¦e et conviviale pour l'analyse et la visualisation des incidents. L'eWeb est accessible via intranet ou r¨¦seaux s¨¦curis¨¦s, offrant flexibilit¨¦ et protection renforc¨¦e des donn¨¦es.?
AFAS-Incident Report

Avantages et capacit¨¦s de l'AFAS

  • B¨¦n¨¦ficiez d'une analyse transparente des pannes avec AFAS
    • Naviguez sans effort ¨¤ travers les capacit¨¦s robustes d'AFAS. Notre interface conviviale garantit un acc¨¨s rapide aux donn¨¦es critiques, vous aidant ¨¤ prendre des d¨¦cisions ¨¦clair¨¦es en toute confiance. Plongez dans des applications du monde r¨¦el avec nos d¨¦monstrations interactives, mettant en valeur l'adaptabilit¨¦ d'AFAS dans divers secteurs. ? l'aide de moteurs d'analyse ¨¦prouv¨¦s, la solution AFAS permet d'identifier les d¨¦fauts en d¨¦terminant le type de d¨¦faut, l'heure de d¨¦but, l'heure de d¨¦clenchement, l'amplitude du d¨¦faut, les imp¨¦dances de d¨¦faut et bien plus encore. Les fonctionnalit¨¦s d'injection de signal permettent aux utilisateurs de lire les donn¨¦es enregistr¨¦es dans le mod¨¨le de relais pour valider la r¨¦ponse du relais telle que con?ue par rapport ¨¤ celle trouv¨¦e. Le jumeau num¨¦rique ¨¦lectrique est utilis¨¦ pour valider la r¨¦ponse du syst¨¨me en exploitant la s¨¦quence des ¨¦v¨¦nements d'op¨¦rations pour garantir que le sch¨¦ma de protection correct a ¨¦t¨¦ ex¨¦cut¨¦ dans le temps de r¨¦ponse pr¨¦vu.
  • Des solutions sur mesure pour chaque secteur d'activit¨¦
    • Que vous soyez dans les services publics, le p¨¦trole et le gaz ou tout autre secteur, AFAS propose des solutions sur mesure pour r¨¦pondre ¨¤ vos besoins sp¨¦cifiques. De l'analyse pr¨¦cise de la gravit¨¦ des d¨¦fauts dans les syst¨¨mes de distribution ¨¤ la logique de verrouillage personnalis¨¦e pour les applications p¨¦troli¨¨res et gazi¨¨res, notre plateforme s'adapte aux exigences de votre secteur. AFAS comprend ¨¦galement des fonctionnalit¨¦s sp¨¦cialis¨¦es pour la gestion des r¨¦ponses aux pannes dans les ressources bas¨¦es sur des onduleurs (IBR), garantissant des performances et une fiabilit¨¦ optimales dans les applications de transmission, de distribution et industrielles.
  • Int¨¦gration avec FLISR pour une analyse et une restauration transparentes des pannes
    • L'int¨¦gration d'AFAS avec le module FLISR d'ETAP am¨¦liore l'efficacit¨¦ op¨¦rationnelle en permettant l'analyse simultan¨¦e des pannes et la restauration du r¨¦seau. Cette puissante combinaison permet aux op¨¦rateurs d'exploiter les capacit¨¦s de d¨¦tection des d¨¦fauts d'AFAS ainsi que les strat¨¦gies de restauration optimales de FLISR, offrant des informations compl¨¨tes sur les syst¨¨mes comportant ¨¤ la fois des composants de transmission et de distribution. Cette double fonctionnalit¨¦ garantit une localisation pr¨¦cise des d¨¦fauts, une planification optimale de la restauration et une interruption de service minimale.
  • Rapports complets et analyse visuelle
    • AFAS fournit des rapports et des visualisations d¨¦taill¨¦s qui transforment des donn¨¦es complexes en informations exploitables. Notre visualiseur de formes d'ondes am¨¦lior¨¦ prend en charge l'analyse avanc¨¦e, offrant des outils d'¨¦valuation RMS, phasor et harmonique, vous garantissant ainsi la clart¨¦ n¨¦cessaire pour optimiser les performances du syst¨¨me.
AFAS Wave Form

Produits associ¨¦s

D¨¦couvrez les modules compl¨¦mentaires et autres produits associ¨¦s.

Voir tous les produits

Å·ÃÀAƬ connexes

D¨¦couvrez des solutions dans lesquelles ce produit est mis en avant.

Voir toutes les solutions

Packages associ¨¦s

Recherchez un pack comprenant ce produit dans sa collection.

Voir tous les forfaits

Industries associ¨¦s

D¨¦couvrez comment ce produit est utilis¨¦ dans diverses industries.

Voir tous les secteurs d'activit¨¦

Syst¨¨mes associ¨¦s

D¨¦couvrez les utilisations de ce produit dans un syst¨¨me d¡¯ing¨¦nierie.

Voir tous les syst¨¨mes

°Õ¨¦³¾´Ç¾±²µ²Ô²¹²µ±ð²õ

FAQ

    How to maximizing Efficiency in Industrial Operations with ETAP AFAS

    In Industrial applications, time is money. Quickly identifying faults and restoring assets is crucial to minimize downtime and costs. The ETAP AFAS (Advanced Fault Analysis Software) leverages disturbance records and telemetry data to locate faults and provide steps to restore assets while the fault is being addressed, increasing the chances of a quick resolution.

    Furthermore, ETAP AFAS seamlessly integrates several other ETAP software applications such as with the centralized relay management software (eProtect), eSCADA, and Intelligent Load Shedding (iLS) to provide a fully integrated solution for managing your industrial system. With this complete solution, engineers and operators can manage faults efficiently, minimize downtime, and maximize operational efficiency.

    23:25
    Learn about ETAP Automated Fault Analysis Software

    ETAP Automated Fault Analysis System (AFAS) solution provides Real-Time and advanced analytics of electrical faults for your complex networks. Using the ETAP digital twin combined with disturbance records, engineers and operators have a clear forensic picture of any electrical fault in the network. Using proven ETAP analysis solvers, AFAS identifies faults, including fault type, start time, protection trip time, fault magnitudes, and fault distance/impedances. A novel signal injection features allow users to playback recorded data into the protection model to compare "as designed" vs. "as found" relay response. This comparison using ETAP electrical digital twin is used to validate system response per the configured protection scheme, and the sequence of operation was followed within expected time durations.

    27:31
    Demystifying IBR Fault Response with Parametric Modeling & Analysis

    The fault response characteristics of synchronous generators are inherently governed by their physical attributes and construction. In contrast, the fault response traits of Inverter-Based Resources (IBRs) are intricately tied to manufacturer-specific control schemes and settings. This intricacy adds complexity to accurately representing IBR behavior during fault conditions, particularly given the rapid advancements in inverter technology and the diverse control strategies employed by manufacturers.

    51:34

    Formations et événements

    ETAP Training

    Formations et événements

    Obtenez un aperçu approfondi de nos logiciels d'ingénierie électrique en demandant une formation qui vous convient.

    Découvrir maintenant

    Explore ETAP Today

    D¨¦couvrez ETAP aujourd'hui

    Testez ETAP gratuitement pendant 30?jours pour d¨¦couvrir par vous-m¨ºme les capacit¨¦s des solutions ETAP. Essayez la vaste collection de modules et de r¨¦sultats d'analyse d'ETAP sur cette plateforme de d¨¦monstration bas¨¦e sur le cloud, ¨¤ tout moment et en tout lieu.

    Commencez votre d¨¦mo en ligne d¨¨s aujourd'hui?!